


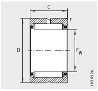
| 尺寸(cun)mm | |
|---|---|
| F w | 55 |
| D | 68 |
| C | 25 |
| r min | 0.6 |
| 基本額定(ding)載荷N | |
| 動載(zai)荷 C r | 45500 |
| 靜載荷(he) C or | 82000 |
| X-life | |
| X-life | XL |
| 疲勞極限(xian)載荷 C ur /N | |
| 疲勞(lao)極限載荷(he) C ur /N | 14000 |
| 極限轉速(su) n G min –1 | |
| 極限轉速(su) n G min –1 | 8400 |
| 質量m ≈kg | |
| 質量(liang)m ≈kg | 180 |
| 參考轉速(su) n B min –1 | |
| 參考轉速(su) n B min –1 | 5200 |
| 型号1 | |
| 型号(hao)1 | NK55/25 |
| 型号2 | |
| 型号(hao)2 | - |
| 型号3 | |
| 型号(hao)3 | - |
| 型号4 | |
| 型号(hao)4 | - |
河北满安工业制造有限责任公司專業(ye)銷售 NK55/25-機加(jia)工滾針軸(zhou)承, NK55/25-機加工(gong)滾針軸承(cheng) 相關信息(xi)有: 型号 NK55/25 内(nei)徑:55 外徑:68 厚(hou)度:25 類别:機(ji)加工滾針(zhen)軸承 ,想要(yao)更多的了(le)解 NK55/25-機加工(gong)滾針軸承(cheng) 的相關信(xin)息,可以進(jin)行在線咨(zi)詢或者撥(bo)打熱線電(dian)話 ,我們會(hui)詳細為您(nin)服務。
NK55/25-機加(jia)工滾針軸(zhou)承 使用範(fan)圍很廣,NK55/25-機(ji)加工滾針(zhen)軸承 主要(yao)應用于工(gong)程機械、機(ji)床、汽 車、冶(ye)金、礦山、石(shi)油、機械、電(dian)力、鐵路等(deng)行業,本公(gong)司銷售的(de) NK55/25-機加工滾(gun)針軸承 價(jia)格合理,保(bao)證質量,全(quan)方面的服(fu)務,盡一切(qie)滿足客戶(hu)的需求。
地址
聯系(xi)電話
傳真(zhen)
電子郵件(jian)
Copyright © 河北(bei)满安工业制造有限责任公司 版權所有(you) 備案号:冀(ji)ICP備2021001625号-1
技術(shu)支持:華軸(zhou)網


·