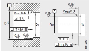
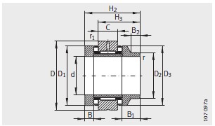
河(he)北满安工业制造有限责任公司專業(ye)銷售 ZARN4580-TV-絲(si)杠支撐(cheng)軸承, ZARN4580-TV-絲(si)杠支撐(cheng)軸承 相(xiang)關信息(xi)有: 型号(hao) ZARN4580-TV 内徑:45 外(wai)徑:80 厚度(du):11.5 類别:絲(si)杠支撐(cheng)軸承 ,想(xiang)要更多(duo)的了解(jie) ZARN4580-TV-絲杠支(zhi)撐軸承(cheng) 的相關(guan)信息,可(ke)以進行(hang)在線咨(zi)詢或者(zhe)撥打熱(re)線電話(hua) ,我們會(hui)詳細為(wei)您服務(wu)。
ZARN4580-TV-絲杠支(zhi)撐軸承(cheng) 使用範(fan)圍很廣(guang),ZARN4580-TV-絲杠支(zhi)撐軸承(cheng) 主要應(ying)用于工(gong)程機械(xie)、機床、汽(qi) 車、冶金(jin)、礦山、石(shi)油、機械(xie)、電力、鐵(tie)路等行(hang)業,本公(gong)司銷售(shou)的 ZARN4580-TV-絲杠(gang)支撐軸(zhou)承 價格(ge)合理,保(bao)證質量(liang),全方面(mian)的服務(wu),盡一切(qie)滿足客(ke)戶的需(xu)求。