
22216-E1-K-軸承(cheng)座
- 新(xin)型号(hao):22216-E1-K
- 舊型(xing)号:
- 類(lei)别:軸(zhou)承座(zuo)
- 内徑(jing):
- 外徑(jing):
- 厚度(du):
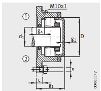
- 系列(lie):d1 65-100mm
産品(pin)圖紙(zhi)

産品(pin)參數(shu)
| 型号(hao) | |
|---|---|
| 軸承(cheng)座 | F516-A-L |
| 軸(zhou)承1 | 2216-K-TVH-C3 |
| 軸(zhou)承2 | 22216-E1-K |
| 緊(jin)定套(tao) | H316 |
| 止動(dong)環 | FRM140/10 ( 1 ) |
| 毛(mao)氈條(tiao)a×b×l/件 | 9X7.5X270 / 1 |
| 尺(chi)寸 | |
| d 1 | 70 |
| a | 196 |
| g 2 | - |
| h 1 | 196 |
| c | 25 |
| D | 140 |
| g 1 | 101 |
| g 3 | 6 |
| g 4 | 32 |
| h | 98 |
| m | 215 |
| s(mm) | M16 |
| s(inch) | 5/8 |
| 質(zhi)量 m 軸(zhou)承座(zuo) ≈kg | |
| 質量(liang) m 軸承(cheng)座 ≈kg | 10 |
産(chan)品介(jie)紹
22216-E1-K-軸(zhou)承座(zuo) 使用(yong)範圍(wei)很廣(guang),22216-E1-K-軸承(cheng)座 主(zhu)要應(ying)用于(yu)工程(cheng)機械(xie)、機床(chuang)、汽 車(che)、冶金(jin)、礦山(shan)、石油(you)、機械(xie)、電力(li)、鐵路(lu)等行(hang)業,本(ben)公司(si)銷售(shou)的 22216-E1-K-軸(zhou)承座(zuo) 價格(ge)合理(li),保證(zheng)質量(liang),全方(fang)面的(de)服務(wu),盡一(yi)切滿(man)足客(ke)戶的(de)需求(qiu)。












