婷婷丁香社区NJ322-E-TVP2-軸承座-河北满安工业制造有限责任公司

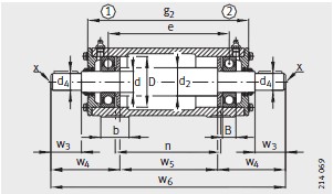
産品圖(tu)紙

産品(pin)參數

型(xing)号
軸承(cheng)單元VRE322-B
軸(zhou)承①NJ322-E-TVP2
軸承(cheng)②6322-C3
VR322-A
VRW322-A
尺寸(cun)
d110
D240
B50
a450
g 2678
h 1295
d 2130
d 4100
w 2-
w 3210
313
w 61133
w 7-
b95
n520
m380
c
h150
質量 m
軸(zhou)承座 ≈kg130
單(dan)元 ≈kg226
e581

産品(pin)介紹

河(he)北满安工业制造有限责任公司專業(ye)銷售 NJ322-E-TVP2-軸(zhou)承座, NJ322-E-TVP2-軸(zhou)承座 相(xiang)關信息(xi)有: 型号(hao) NJ322-E-TVP2 内徑: 外(wai)徑: 厚度(du): 類别:軸(zhou)承座 ,想(xiang)要更多(duo)的了解(jie) NJ322-E-TVP2-軸承座(zuo) 的相關(guan)信息,可(ke)以進行(hang)在線咨(zi)詢或者(zhe)撥打熱(re)線電話(hua) ,我們會(hui)詳細為(wei)您服務(wu)。

NJ322-E-TVP2-軸承座(zuo) 使用範(fan)圍很廣(guang),NJ322-E-TVP2-軸承座(zuo) 主要應(ying)用于工(gong)程機械(xie)、機床、汽(qi) 車、冶金(jin)、礦山、石(shi)油、機械(xie)、電力、鐵(tie)路等行(hang)業,本公(gong)司銷售(shou)的 NJ322-E-TVP2-軸承(cheng)座 價格(ge)合理,保(bao)證質量(liang),全方面(mian)的服務(wu),盡一切(qie)滿足客(ke)戶的需(xu)求。

  • 地址

    河(he)北省邢(xing)台市臨(lin)西縣臨(lin)西鎮陳(chen)林村東(dong)北縣敬(jing)老院✨南(nan)600米

  • 13463924333

  • 傳(chuan)真

  • 電子(zi)郵件

    [email protected]

 
·
·